陶瓷霧化片 Atomization Piece
陶瓷晶振 Ceramic SMD crystal
陶瓷濾波器 CeramicFilter
聲表面濾波器|諧振器 SAW filter
千赫晶體KHZ KHz Crystal
石英晶振 Quartz Crystal
貼片晶振 SMD crystal
NJR晶振
應達利晶振
日本大真空晶體 KDS晶振
精工晶振 SEIKO晶體
日本村田陶瓷晶振
西鐵城晶振 CITIZEN晶振
愛普生晶振 EPSON晶振
NSK晶振 NSK晶振
大河晶振 大河晶振
CTS晶振 美國CTS晶振
TXC晶振 TXC晶振
鴻星晶振 鴻星晶振
加高晶振 加高晶振
百利通亞陶晶振 百利通亞陶晶振
泰藝晶振 泰藝晶振
京瓷晶振 京瓷晶振
NDK晶振 NDK晶振
希華晶振 希華晶振
富士晶振 富士晶振
MERCURY晶振
NAKA晶振
SMI晶振
安基晶振
NKG晶振
Renesas瑞薩晶振
ITTI晶振
CTS晶振
Abracon晶振
微晶晶振
瑞康晶振
FOX晶振
Statek晶振
ECS晶振
IDT晶振
高利奇晶振
SiTime晶振
日蝕晶振
康納溫菲爾德晶振
Jauch晶振
維管晶振
拉隆晶振
格林雷晶振
Pletronics晶振
AEK晶振
AEL晶振
Cardinal晶振
Crystek晶振
Euroquartz晶振
Frequency晶振
GEYER晶振
ILSI晶振
KVG晶振
MMDCOMP晶振
MtronPTI晶振
QANTEK晶振
QuartzCom晶振
QuartzChnik晶振
SUNTSU晶振
Transko晶振
WI2WI晶振
韓國三呢晶振
ARGO晶振
ACT晶振
Milliren晶振
韓國Lihom晶振
rubyquartz晶振
美國Oscilent晶振
韓國SHINSUNG晶振
PDI晶振
C-TECH晶振
IQD晶振
Microchip晶振
Fortiming晶振
CORE晶振
NIPPON晶振
NIC晶振
QVS晶振
Bomar晶振
Bliley晶振
GED晶振
FILTRONETICS晶振
STD晶振
Q-Tech晶振
Anderson晶振
Wenzel晶振
NEL晶振
EM晶振
德國PETERMANN晶振
荷蘭FCD-Tech晶體
HEC晶振
FMI晶振
Macrobizes晶振
德國AXTAL晶振
Silicon晶振
SKYWORKS晶振
石英晶體振蕩器 石英晶體振蕩器
壓控晶振 壓控晶振
溫補晶振 溫補晶振
壓控溫補晶振 壓控溫補晶振
恒溫晶振 恒溫晶振
差分晶振 差分晶振
32.768K有源晶振 32.768K有源晶振
座機: 0755-27876565
手機: 18924600166
E-mail:yijindz@163.com
QQ:857950243
地址:深圳市寶安區新安107國道旁甲岸路
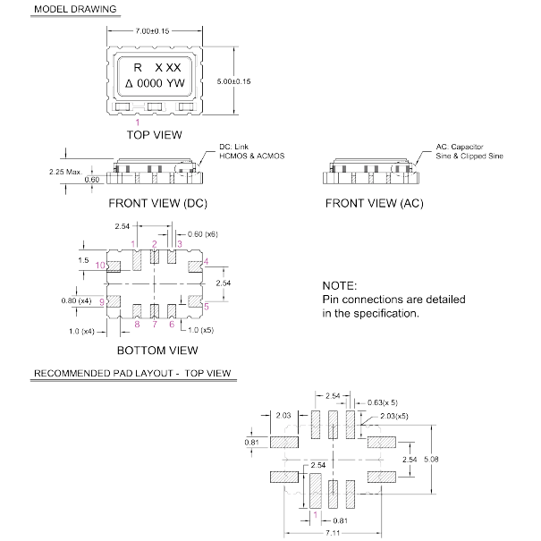
RAKON晶振,CFPT9000晶振,7050溫補晶振

.jpg)
RAKON晶振,CFPT9000晶振,7050溫補晶振是通過附加的溫度補償電路使由周圍溫度變化產生的振蕩頻率變化量削減的一種石英晶體振蕩器。本身自帶溫度補償功能的石英晶體振蕩器,溫補晶振可分為三個類別:直接補償、間接補償、數字式。溫度補償晶體振蕩器電路通過附加溫度補償網絡,使環境溫度變化后晶體串聯回路電容反向變化,以抵消晶體此間所產生的頻率一溫度漂移。參見圖2溫度補償曲線,I為AT切型晶體頻率一溫度特性曲線,Ⅱ為晶體串聯回路補償曲線,Ⅲ為補償后的晶體振蕩器頻率溫度特性曲線。根據補償網絡和所接位置,將溫補晶振分為直接補償和間接補償晶振
RAKON瑞康晶振成立于1967年,多年來一直是先進的有源晶振,壓控振蕩器, 石英晶振,貼片晶振等水晶元件和振蕩器技術的先鋒.自2006年以來,RAKON瑞康晶振已經轉變為全球最大的頻率控制解決方案提供商之一,提供了一個多樣化的產品組合,包括電信、定位和空間和國防市場的先進產品.Rakon有6家制造工廠,包括3家合資工廠和8個研發中心.客戶支持中心位于世界各地的11個辦事處.總部設在新西蘭的奧克蘭.
RAKON瑞康晶振的產品主要基于石英晶體,石英晶振,貼片晶振,有源晶體、壓電陶瓷諧振器、表晶32.768K技術,并利用其獨特的自然壓電特性,制造出極其精確的電信號.這些信號用于產生無線電波,并在最苛刻的通信應用程序中同步時間.
RAKON瑞康晶振的產品范圍包括較低的穩定晶體振蕩器(XO),壓控晶體振蕩器(VCXO)和水晶產品,通過體積精度高溫度補償晶體振蕩器(TCXO),烤箱控制晶體振蕩器(OCXO)、聲表面波(看到)振蕩器和專業產品的極端表現.
RAKON瑞康晶振已經建立了一個世界級的設計和制造平臺,并與全球領導人的客戶組合相結合.今天,Rakon提供了產品和解決方案,設計成現在和未來的通信和定位技術.然而,無論如何,Rakon的成功都將是成功的,無論市場、地理或競爭的情況.

| 型號 | CFPT9000 (TCXO) | |
| 輸出頻率范圍 | 1.2?40MHz | |
| 標準頻率 | 16.3676MHz/16.367667MHz/16.368MHz/16.369MHz/16.8MHz/26MHz/33.6MHz | |
| 電源電壓范圍 | +1.68?+3.5V | |
| 電源電壓(Vcc) | +1.8V/+2.6V/+2.8V/+3.0V/+3.3V | |
| 輸出負載 | 10kΩ//10pF | |
| 頻率穩定度 | 常溫偏差 | ±1×10-6 max.(After 2 reflows) |
| 溫度特性 |
±0.5×10-6,±2.5×10-6 max./-30?+85℃ ±0.5×10-6,±2.5×10-6 max./-40?+85℃(Option) |
|
| 電源電壓特性 | ±0.2×10-6 max.(VCC ±5%) | |
| 負載變化特性 | ±0.2×10-6 max.(10kΩ//10pF±10%) | |
| 長期變化 | ±1.0×10-6 max./year | |
| 頻率控制 | 控制靈敏度 | - |
| 頻率控制極性 | - | |
| 工作溫度 | -40 to 85 °C | |



自從歐盟頒布各項綠色環保指令(如RoHS)后,世界各國已陸續制定公布相關之法令規章,推動「綠色產品」的發展.瑞康晶振為了對環境與人類貢獻一己之力,導入綠色設計之概念,致力生產符合國際綠色環保指令與客戶特殊要求的晶振,石英晶振, 有源晶振,壓控振蕩器.我們知道,人類的永續發展需要干凈的環境,如果我們產品中的物質會對環境造成污染,影響到人類生存的基本條件,不論產品的功能再先進再齊全,也無法對環境與社會帶來多大的幫助.
瑞康石英晶振深入貫徹落實科學發展觀,牢固樹立安全發展理念,強化責任,狠抓落實,加強防范,堅決遏制重特大事故發生.
要毫不松懈地抓好安全環保工作,堅持把“環保優先、安全第一、質量至上、以人為本”的理念落實到生產建設全過程.
帶動各項安全環保工作規范化、程序化、科學化管理,加快實現安全環保形勢持續好轉、根本好轉的工作思路.
瑞康晶振進一步解放思想,學習先進,總結實踐,針對新形勢、新情況,抓好理念創新,促進安全環保工作更加科學、更加有效.
堅持運用,不斷完善,持續改進,更要針對新情況、新問題,不斷學習先進,總結經驗,結合實際,及時改進舊方法,勇于擯棄落后方法.
要積極開展安全經驗分享活動,讓每一個單位、每一個人的經驗和教訓變成大家的經驗,成為企業的財富.RAKON晶振,CFPT9000晶振,7050溫補晶振

公司:深圳市億金電子有限公司
SHENZHEN YIJIN ELECTRONICS CO;LTD
電話:0755-27876565
手機:18924600166
QQ:857950243
郵箱:yijindz@163.com
網站:http://www.zjdy-game.cn
SHENZHEN YIJIN ELECTRONICS CO;LTD
電話:0755-27876565
手機:18924600166
QQ:857950243
郵箱:yijindz@163.com
網站:http://www.zjdy-game.cn





.jpg)
銷售代表